Revolution
Counter
Small Industrial Revolution
Counter
Revolution counters count the number of
rotations in a variety of equipment.
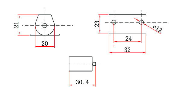
| Heavy duty mechanical racket counter
model MSJZ1151 is built tough for heavy duty industrial applications. It
features metal frame, a 4-mm shaft on the right and 5 digit - two color
display. Four left digits count
the number of revolutions of the shaft. The right digit is for
fractional count. So the accuracy of the count is 0.1 turns. Counts from
0000.0 up to 9999.9 turns |
 |
and then becomes zero again when it completes
10,000 turns. This counter counts can count up or down. It counts up when the
shaft turns clockwise and it counts down when the shaft turns counter clockwise.
Display includes 5 large (5 mm x 3 mm) figures
to provide easy readability. A reset button is located on the left side of the
display.
Specifications:
Number of digits: 5
Price and Availability
weight: 205 grams
Shaft diameter: 4 mm
Exposed shaft length: 11 mm
Overall shaft length: 21 mm
Base: 58 mm x 47 mm
Height: 37 mm
Display size: 35 mm x 6 mm
Distance of mounting holes on each side: 30 mm
Disposable Revolution
counter
|
MS102B is a basic, low cost revolution
counter for temporary and short term applications. This counter may be connected to
mechanical equipment directly via the shaft or using gears and pulleys
that can change the ratio of the count. MS-102B is usually mounted by
two screws, but depending on the installation they may also be seated on
an elastic pad.
Price and Availability |
 |
MS-102B is a 5-digit Revolution Counter
with Nylon body and ABS casting. The shaft is 10mm long, 3mm in diameter
and is positioned on the right.
Features:
- Low Cost
- Small size revolution-counter
- Non-resetable
- Right Shaft
- Clockwise
- 10 counts per each 360º rotation of shaft.
Technical parameters:
|
Digital specification
|
mm:4X2 height X width 4X2
|
|
MAX Calculated Capacity
|
00000--99999
|
|
Transmission Ratio
|
1:10
|
|
Enviromental Temperature
|
-20º--65º
|
| Shaft Position |
Right |
| Shaft Length |
10mm |
| Weight |
8.5 grams |
|
Rotation
|
Clockwise
|
|
Reset mode
|
no
|
Mounting Size

|
Wholesale and retail distributors of counters?
Where to buy Counters?
Most pictures are linked to
the pricing and online store for fast and convenient ordering
MiniScience is the wholesale distributor of
electronic counters and mechanical counters. Tally counters and hand counters
are also known as product counter, people counter, passenger counter, vehicle
counter and traffic counter depending on the application. Our products are available at the following
online stores. For large orders of 500 pieces or more please call in advance and verify the
availability, wholesale discounts and free shipping options. If you cannot find any
product in the online store of your choice, please use the search option of the
store or call (973)777-3113 for further assistance.
|
|